Tag

Industrial Emissions

All articles tagged with #industrial emissions

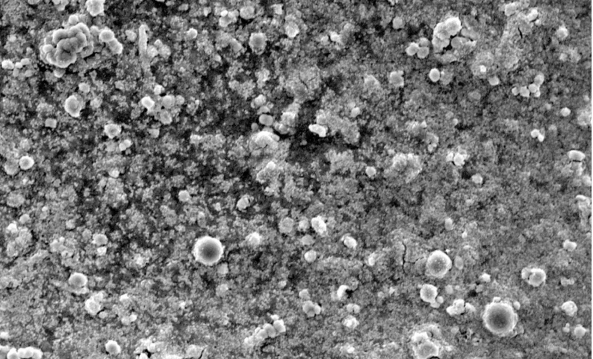
Bacteria Converts CO₂ to Rock in Hours, Bypassing Carbon Capture

Originally Published 5 months ago — by The Daily Galaxy

Featured image for Bacteria Converts CO₂ to Rock in Hours, Bypassing Carbon Capture
Source: The Daily Galaxy

Scientists have discovered that the soil microbe Bacillus megaterium can efficiently convert CO₂ into solid calcium carbonate, turning it into rock within hours, offering a promising, sustainable alternative for reducing industrial carbon emissions and potentially transforming cement production.

"$6 Billion Investment to Decarbonize Industrial Sector and Slash Emissions"

Originally Published 1 year ago — by The Associated Press

Featured image for "$6 Billion Investment to Decarbonize Industrial Sector and Slash Emissions"
Source: The Associated Press

The Biden administration has announced a $6 billion investment to reduce emissions from the industrial sector, targeting facilities responsible for a quarter of the nation's emissions. The funding will support 33 demonstration projects in over 20 states, focusing on industries such as aluminum, steel, food and beverage, and cement. The projects aim to eliminate 14 million metric tons of pollution annually, equivalent to removing 3 million cars from the road, and will utilize technologies that are replicable and scalable. The initiative seeks to demonstrate the viability of decarbonizing heavy industries and pave the way for a global transition to cleaner manufacturing.

"US Allocates $6 Billion to Decarbonize Industrial Sector"

Originally Published 1 year ago — by HuffPost

Featured image for "US Allocates $6 Billion to Decarbonize Industrial Sector"
Source: HuffPost

The Biden administration has announced a $6 billion investment to reduce emissions in high-polluting industries such as chemical, metal, and cement operations, aiming to advance climate goals and boost domestic manufacturing. The funding will support 33 projects in over 20 states, targeting technologies that can significantly reduce carbon dioxide emissions and create thousands of jobs. The investments are part of a government-wide strategy focusing on the industrial sector and are expected to have a positive impact on both the environment and the economy.

"$6 Billion Plan: Taming Industrial Carbon Emissions"

Originally Published 1 year ago — by The New York Times

Featured image for "$6 Billion Plan: Taming Industrial Carbon Emissions"
Source: The New York Times

The Biden administration plans to allocate up to $6 billion towards 33 projects in 20 states aimed at reducing carbon emissions from heavy industries such as steel, cement, chemicals, and aluminum. These projects include initiatives to test methods for curbing emissions and implementing cleaner technologies, such as using hydrogen fuels in aluminum production and electric boilers in food manufacturing. The goal is to demonstrate novel technologies that can rapidly scale up and set a new standard for clean manufacturing in the United States and globally.

"US Allocates $6 Billion for Clean Energy Mac and Cheese in Heavy Manufacturing"

Originally Published 1 year ago — by The Verge

Featured image for "US Allocates $6 Billion for Clean Energy Mac and Cheese in Heavy Manufacturing"
Source: The Verge

The Biden administration has announced a $6 billion investment in clean energy technologies to tackle industrial greenhouse gas emissions, with 33 projects selected across more than 20 states. Companies like Kraft Heinz, Unilever, and Diageo Americas Supply are set to receive funding to electrify and update their facilities, aiming to slash emissions significantly. The projects, which include ice cream and whiskey manufacturing, as well as iron, steel, cement, and concrete production, are expected to collectively prevent the equivalent of more than 14 million metric tons of carbon dioxide emissions annually and reduce other forms of pollution. Close to eighty percent of the projects are located in disadvantaged communities, and awardees are required to create community benefits plans.

"Texas' Lax Stance on Industrial Air Pollution Risks Sparks Concern among Public Health Officials"

Originally Published 2 years ago — by The Texas Tribune

Featured image for "Texas' Lax Stance on Industrial Air Pollution Risks Sparks Concern among Public Health Officials"
Source: The Texas Tribune

The Texas Commission on Environmental Quality (TCEQ) has proposed maintaining a target cancer-risk level for air pollution permits that public health officials consider inadequate to protect communities exposed to multiple sources of industrial emissions. The TCEQ's existing target cancer risk level of 1 in 100,000, in use since 2006, is seen as under-representing the actual risks faced by communities near industrial complexes. Scientists and public health officials are calling for a lower target risk level of one in 1 million to account for cumulative impacts of pollution. The TCEQ received over 200 comments requesting a lower target risk level, while the Texas Chemical Council supported the proposed level. Critics argue that the TCEQ's proposal lacks transparency and public input, and that tighter standards are needed to protect public health.

Advancements in Carbon Capture and Conversion: Energy-efficient and Water-based Solutions

Originally Published 2 years ago — by Phys.org

Featured image for Advancements in Carbon Capture and Conversion: Energy-efficient and Water-based Solutions
Source: Phys.org

Scientists at MIT have developed an integrated and energy-efficient system that can capture and convert carbon dioxide emissions from concentrated industrial sources. The system combines the processes of carbon capture and conversion into a single electrochemical process, which is driven by the partial pressure of carbon dioxide. The researchers found that the more pure carbon dioxide that comes into contact with the electrode, the more efficiently it can capture and convert the molecule. This technology could help reduce emissions from hard-to-abate sectors such as steel, cement, and chemical manufacturing.

Revolutionary Carbon Capture Method Promises Industry Disruption

Originally Published 2 years ago — by Chemistry World

Featured image for Revolutionary Carbon Capture Method Promises Industry Disruption
Source: Chemistry World

Scientists have developed a guanidinium sulfate salt that can capture and store carbon dioxide at ambient pressures and temperatures with little energy input. The resulting powder is stable at ambient conditions, making it useful for carrying and storing CO2, as well as capturing it from industrial sources. The new method could revolutionize the carbon capture industry and cut down on costly infrastructure.

EPA Implements New Rules to Reduce Power Plant Pollution.

Originally Published 2 years ago — by NPR

Featured image for EPA Implements New Rules to Reduce Power Plant Pollution.
Source: NPR

The EPA issued a new "good neighbor" rule that will restrict smokestack emissions from power plants and other industrial sources that burden downwind areas with smog-causing pollution they can't control. Nearly two-dozen states will have to cut harmful industrial emissions of nitrogen oxide and other pollutants to improve air quality for millions of people living in downwind communities. The final rule will save thousands of lives, keep tens of thousands of people out of the hospital, prevent millions of asthma attacks and reduce sick days, according to the agency.